Strømtransformator CT
Sårtype 5p10 5p20 Ct 100 150 400 5a
  • Sårtype 5p10 5p20 Ct 100 150 400 5aSårtype 5p10 5p20 Ct 100 150 400 5a

Sårtype 5p10 5p20 Ct 100 150 400 5a

For å levere høykvalitets potensielle transformatorer og strømtransformatorer, støtter Wenzhou XiFa Electric Power Equipment Co., Ltd tilpasset service til kunder som produserer og leverer sårtype 5p10 5p20 ct 100 150 400 5a. I WenZhou XiFa elektrisk holder det produserende teamet lageret for vanlig type strømtransformator, for eksempel en 100/5a 10p10 0,5 strømtransformator, for å sikre rask levering. Imidlertid støtter selskapet tilpasset tjeneste for å møte ulike etterspørsel etter elektrisitet, for eksempel strømforsyningstransformatorer hvor beskyttelsesklassen er 5p10 eller 5p20.

Den viklede strømtransformatoren er designet for pålitelig strømmåling og beskyttelse i mellomspenningsstrømsystemer som 10kv 20kv og 35kv. Tilgjengelig i strømforhold på 100/5A, 150/5A og 400/5A, og med beskyttelsesnøyaktighetsklasser på 5P10 og 5P20, gir denne sårtypen 5p10 5p20 ct 100 150 400 5a presis sekundærstrømutgang som er egnet for både måling og beskyttelsesmåling.

Produsert med solide magnetiske kjerner og sekundære spoler, sikrer strømtransformatoren av viklet type stabil ytelse under kortslutningsforhold og leverer nøyaktig strømtransformasjon selv under forbigående hendelser. Det robuste isolasjonssystemet, som ofte inneholder epoksy eller høykvalitets harpiks, sikrer sikkerhet, lang levetid og motstand mot fuktighet og miljøpåkjenninger.

Den viklede designen tillater fleksibel installasjon i bryterutstyr, kontrollpaneler og fordelingstavler, for å gi pålitelig støtte for relébeskyttelsessystemer. Strømtransformatoren av viklet type er ideell for industrianlegg, kommersielle anlegg og distribusjonsnettverk hvor nøyaktig og pålitelig strømmåling er avgjørende for både driftsovervåking og beskyttelseskontroll.

Wound Type 5p10 5p20 Ct 100 150 400 5a

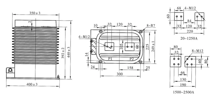
Teknisk spesifikasjon:

Type Primær merkestrøm (A) Nøyaktighetsklasse Nøyaktighetsklasse og nominell utgang cosΦ=0,8 Shory-Time termisk strøm (kA/S) Nominell dynamisk strøm (kA)
0,2 (s) 0,5 (s) 10P10
LZZBJ9-35 20-100 0,2/0,2 0,2/0,5 0,2/5P20 0,5/5P20 0,2/0,5/5P 0,2/5P/5P 10 10 15 150I1n 375I1n
150-200 31.5 80
300-500 31,5/2 80
600-1250 15 30 20 31,5/4 80
1500-2000 20 40 30 40/4 125
2500 20 40 20 40/4 125


Type Primær merkestrøm (A) Nøyaktighetsklasse Kapasitet (VA) Shory-Time termisk strøm (kA/S) Nominell dynamisk strøm (kA)
LZZBJ9-35 10 0,2/10P10 0,5/10P10 0,2/5P20 0,5/5P20 0,2/0,5/10P10 0,2/0,5/5P20 0,2/10P10/5P20 0,5/10P10/5P20 15/20 20/20 15/20 20/20 15/20/20 15/20/20 15/20/20 20/20/20 1,5/1 3.75
20 2/1 5
30 3/1 7.5
40 4/1 10
50 5/1 12.5
75 7,5/1 18.75
100 10/1 25
150 15/1 37.5
200 20/1 50
300 31,5/1 80
400 31,5/2 80
500 31,5/2 80
600 31,5/2 80
800 31,5/3 80
1000 31,5/3 80
1200 31,5/3 80
1500 31,5/3 80
2000 31,5/3 80

Wound Type 5p10 5p20 Ct 100 150 400 5a

Vanlige spørsmål om produkter:

Spørsmål: Hva betyr "sårtype 5P10" eller "5P20" i en sårtype 5p10 5p20 ct 100 150 400 5a?

A: Begrepet "viklet" refererer til CT-er der primærlederen er en viklet vikling i stedet for en samleskinne eller stang gjennom kjernen. Klassen 5P10 eller 5P20 indikerer beskyttelsesnøyaktighet: 5P betyr opptil 5 % feil ved nominell sekundærstrøm, og tallet 10 eller 20 er det maksimalt tillatte korttidsmultippelet av nominell primærstrøm uten å overskride spesifisert feil.

Spørsmål: Hvordan velger jeg riktig CT-vurdering for systemet mitt?

A: Velg en CT basert på systemets maksimale belastningsstrøm og beskyttelseskrav. For eksempel er en 100/5A CT egnet for kretser med typiske strømmer rundt 100 A, mens 400/5A er designet for matere med høyere strøm. Velg en beskyttelsesklasse (5P10 eller 5P20) i henhold til reléets feildeteksjonsfølsomhet og forventet kortslutningsstrøm.

Spørsmål: Hvilke miljøforhold kan sårtype 5p10 5p20 ct 100 150 400 5a håndtere?

A: Disse strømtransformatorene av viklet type er vanligvis klassifisert for omgivelsestemperaturer fra –10 °C til +40 °C, med en maksimal høyde på 1000 m. Husmaterialer og isolasjonssystemer er designet for fukt-, støv- og forurensningsbestandig drift, for å sikre pålitelig beskyttelsesytelse i industri- og bruksmiljøer.




Hot Tags: Sårtype 5p10 5p20 Ct 100 150 400 5a, Strømtransformator Leverandør, Måletransformatorer Engros
Send forespørsel
Kontaktinfo

For å få tilbudet ditt ASAP

XiFa - din pålitelige leverandør av elektrisk utstyr
X
Vi bruker informasjonskapsler for å gi deg en bedre nettleseropplevelse, analysere nettstedstrafikk og tilpasse innhold. Ved å bruke denne siden godtar du vår bruk av informasjonskapsler. Personvernerklæring
Avvis Akseptere