Potensiell transformator PT
25 Kv Instrument Elektromagnetisk Pt Potensial Transformator
  • 25 Kv Instrument Elektromagnetisk Pt Potensial Transformator25 Kv Instrument Elektromagnetisk Pt Potensial Transformator

25 Kv Instrument Elektromagnetisk Pt Potensial Transformator

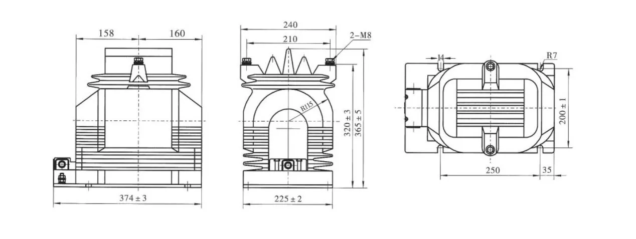
Wenzhou XiFa Electric Power Equipment Co., Ltd har mer enn 10 år på seg til å produsere epoksyharpikspotensialtransformatorer og strømtransformatorer, for eksempel en 25 kv instrument elektromagnetisk pt-potensialtransformator. 25kv potensielle transformator er for spesifikke regionale nettspenninger, som Nord-Amerika og noen amerikanske land. Selv om den er merket med 25kv instrument elektromagnetisk pt potensiell transformator, er standarden som brukes 24kv. Wenzhou XiFa Electric Power Equipment Co., Ltd har en rekke modne designløsninger på nøyaktighet, isolasjon og mekanisk styrke for å oppnå en 25 kv instrument elektromagnetisk pt potensiell transformator som har lengre levetid.

Tips etter kjøp av enpotensiell transformator:

1. Før igangkjøring må en 25 kv instrument elektromagnetisk pt potensial transformator gjennomgå alle tester og inspeksjoner som kreves av relevante standarder og prosedyrer. Disse inkluderer vanligvis AC dielektrisk test, isolasjonsmotstandstest, forholdstest og visuell inspeksjon.

2.Riktig kabling av 25 kv-instrumentets elektromagnetiske pt-potensialtransformator er avgjørende. Primærviklingen skal kobles parallelt med den målte kretsen, mens sekundærviklingen må kobles parallelt med spenningsspolene til måleinstrumenter, beskyttelsesreleer eller automatiske enheter. I mellomtiden må man være oppmerksom på å opprettholde korrekt polaritet.

3. Belastningen koblet til 25 kv potensialtransformatoren må være innenfor dens nominelle kapasitet. Overskridelse av den nominelle sekundære belastningen kan skape økte målefeil, til og med påvirke nøyaktigheten til avlesningene.

4. Kortslutning av 25 kv potensiell transformator sekundær er strengt forbudt. Fordi PT har svært lav intern impedans, kan en sekundær kortslutning generere ekstremt høye strømmer, potensielt skade sekundært utstyr og utgjøre en alvorlig sikkerhetsrisiko. For å forhindre slik skade, er det nødvendig å installere sikringer på PT-sekundæren. Hvis det er mulig, bør det også brukes primærsidesikringer for å beskytte høyspentnettet ved feil i primærviklingen eller ledninger.

5.For sikkerheten til personell som håndterer måleinstrumenter eller releer, må PT sekundærviklingen jordes på ett punkt. Det kan forhindre personsikkerhet fra høyspenning i instrumenter og releer når isolasjonen skades mellom primær- og sekundærviklinger etter jordingen.

6. PT sekundærkretsen skal under ingen omstendigheter kortsluttes.

25 Kv Instrument Electromagnetic Pt Potential Transformer

Teknisk spesifikasjon:

Type Nominell spenningsforhold (kV) Nøyaktighetsklasse Nøyaktighetsklasse og nominell utgang cosΦ=0,8 The Max. Utgang (VA)
0.2 0.5 3(P)
JDZ11-15 15/0,1 0,2 0,5 1 30 80 150 600
JDZ11-20 20/0,1
JDZ11-15 15/0,1/0,1 0,2/0,2 0,2/0,5 0,5/0,5 20 30 N/A 2*300
JDZ11-20 20/0,1/0,1
JDZ11-15 15/0,1/0,22 0,2/3P 0,5/3P 30 60 100 500
JDZ11-20 20/0,1/0,22

25 Kv Instrument Electromagnetic Pt Potential Transformer

Vanlige spørsmål om produkter:

Spørsmål: Hva er standard sekundærspenningsklassifisering for et 25 kV elektromagnetisk instrumentpt potensiell transformator?

A: Standard sekundærspenning for en 25 kV instrument elektromagnetisk pt potensial transformator er typisk 110 V. Denne standardiseringen sikrer kompatibilitet med måling og beskyttelsesutstyr, for å tillate nøyaktig spenningsmåling og sikker drift innenfor det elektriske kraftsystemet.


Spørsmål: Kan en 25 kV instrument elektromagnetisk pt potensial transformator operere kontinuerlig med 115 % av nominell spenning?

A: Ja, en 25 kV potensiell transformator er i stand til å operere kontinuerlig ved 115 % av nominell spenning, så lenge den sekundære belastningen ikke overstiger transformatorens termiske klassifisering. Denne muligheten tillater midlertidige overspenningsforhold uten å påvirke integriteten til PT-er.


Spørsmål: Hva er den typiske isolasjonsklassen for en 25 kV instrument elektromagnetisk pt potensial transformator?

A: En 25 kV potensiell transformator har typisk en isolasjonsklasse som gjør at den tåler spenninger opp til 25 kV. Isolasjonssystemet er designet for å håndtere de elektriske påkjenningene som oppstår under normale forhold og feilforhold, og sikrer pålitelig drift og sikkerhet.





Hot Tags: 25 Kv Instrument Elektromagnetisk Pt Potential Transformer Produsent, Elektromagnetisk PT Potensial Transformator Leverandør, Instrument PT Potential Transformer Engros
Send forespørsel
Kontaktinfo

For å få tilbudet ditt ASAP

XiFa - din pålitelige leverandør av elektrisk utstyr
X
Vi bruker informasjonskapsler for å gi deg en bedre nettleseropplevelse, analysere nettstedstrafikk og tilpasse innhold. Ved å bruke denne siden godtar du vår bruk av informasjonskapsler. Personvernerklæring
Avvis Akseptere