Potensiell transformator PT
13,8 Kv enfase potensialtransformator i understasjon
  • 13,8 Kv enfase potensialtransformator i understasjon13,8 Kv enfase potensialtransformator i understasjon

13,8 Kv enfase potensialtransformator i understasjon

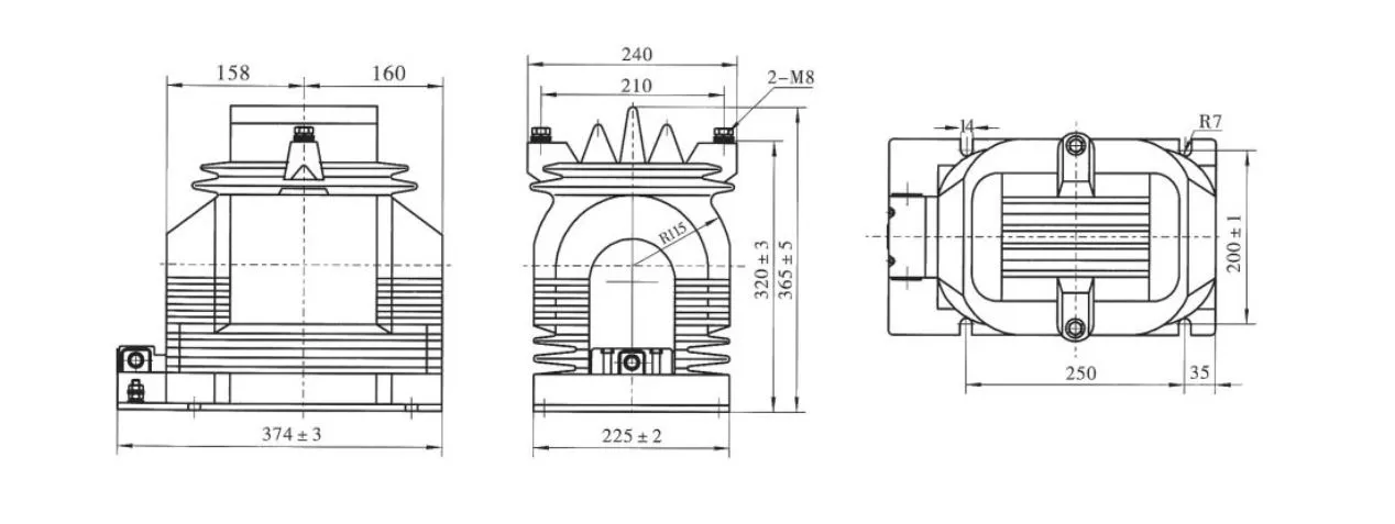
For å produsere en pålitelig 13,8 kv enfase potensialtransformator i transformatorstasjon, bruker Wenzhou XiFa Electric Power Equipment Co., Ltd premium CRGO elektrisk stål som hovedmateriale i kjernen for å redusere tapsverdien og forbedre nøyaktighetsklassen, og høystyrke emaljert kobbertråd som hovedmateriale i spolen for å sikre dreieforhold og sving-til-drei-isolasjon gjennom presisjonsvikling. Stadig mer bruker hver 13,8 kv enfase potensiell transformator i transformatorstasjonen produksjonsprosessen med epoksyharpiksvakuumstøping for å lage en total størknet struktur som ikke er lett å absorbere fuktighet, som er egnet for varme, fuktige og støvete miljøer.

Produktfunksjoner:

En 13,8 Kv enfase potensialtransformator i transformatorstasjon er designet for å trappe ned primærspenningen på 13,8 kv til en standard sekundærspenning, slik som 100 eller 110 volt. Den reduserte spenningen tilføres deretter de parallelle viklingene for å måle instrumenter og beskyttelsesreleer, slik at primærspenningsmålinger kan utføres indirekte med et lavspentinstrument. En slik tilnærming forenkler instrumentdesign, sparer kostnader og sikrer sikkerheten til både utstyr og driftspersonell.


Arbeidsprinsippet til en 13,8 kv enfase potensialtransformator er det samme som en kraftfordelingstransformator, hvor transformasjonsforholdet bestemmes av antall omdreininger i primær- og sekundærspolene. Økning av antall sekundære svinger reduserer forholdet, mens økning av antall primære svinger øker det. Det er viktig å merke seg at sekundærkretsen til en 13,8 kv enfase potensialtransformator under ingen omstendigheter skal kortsluttes under drift.

13 8 Kv Single Phase Potential Transformer In Substation

Teknisk spesifikasjon:

Type Nominell spenningsforhold (kV) Nøyaktighetsklasse Nøyaktighetsklasse og nominell utgang cosΦ=0,8 The Max. Utgang (VA)
0.2 0.5 1 6(P)
JDZ11-15 (15/√3)/(0.1/√3)/(0.1/3) 0,2/6P 0,5/6P 1/6P 30 80 150 100 400
JDZ11-20 (20/√3)/(0.1/√3)/(0.1/3)
JDZ11-15 (15/√3)/(0.1/√3)/(0.1/√3)/(0.1/3) 0,2/0,2/6P 0,2/0,5/6P 15 20 N/A 100 2*200
JDZX11-20 (20/√3)/(0.1/√3)/(0.1/√3)/(0.1/3)

13 8 Kv Single Phase Potential Transformer In Substation

Vanlige spørsmål om produkter:

Spørsmål: Hvordan er en 13,8 kv enfase potensialtransformator forskjellig fra en 13,8 kv krafttransformator?

A: Mens begge er spenningskonverterende enheter, er en 13,8 kv enfaset potensialtransformator designet for måling og beskyttelse i stedet for kraftoverføring. Dens nominelle belastning er relativt liten, vanligvis uttrykt i VA, mens krafttransformatorer håndterer belastninger i en større verdi som teller i kVA eller MVA.


Spørsmål: Hvilke isolasjonsmetoder brukes på en 13,8 kv enfase potensialtransformator?

A: De flestepotensielle transformatorerpå dette spenningsnivået, bruk epoksyharpiksstøpt isolasjon for innendørs service eller porselen/silikonhus for utendørs installasjoner. Noen design bruker oljenedsenket isolasjon for å oppnå forlenget levetid og høyere termisk kapasitet.


Spørsmål: Hvordan skal en 13,8 kV enfase potensialtransformator kobles til en transformatorstasjon?

A: For fase-til-jord-måling er PT-primæren koblet mellom én fase og jord. I et trefasesystem kan et sett med enfase PT-er eller en trefase PT-enhet brukes til å måle linje til linje og linje til jord spenning.


Spørsmål: Hvilke problemer kan oppstå med 13,8 kV enfase potensielle transformatorer i transformatorstasjoner?

A: Vanlige problemer inkluderer isolasjonsforringelse, ferroresonans under visse koblingsforhold, overoppheting på grunn av overbelastning og åpne sekundære kretsforhold som kan forårsake farlig høye spenninger.



Hot Tags: 13,8 Kv enfase potensiell transformator i nettstasjonsleverandør, nettstasjon potensiell transformator Engros
Send forespørsel
Kontaktinfo

For å få tilbudet ditt ASAP

XiFa - din pålitelige leverandør av elektrisk utstyr
X
Vi bruker informasjonskapsler for å gi deg en bedre nettleseropplevelse, analysere nettstedstrafikk og tilpasse innhold. Ved å bruke denne siden godtar du vår bruk av informasjonskapsler. Personvernerklæring
Avvis Akseptere